摘要:以下為2009上半年信息系統項目管理師考試上午真題,供大家參考學習。
●安全審計是保障計算機系統安全的重要手段之一,其作用不包括__(1)__。
(1)A.檢測對系統的入侵
B.發現計算機的濫用情況
C.發現系統入侵行為和潛在的漏洞
D.保證可信網絡內部信息不外泄
●網絡安全包含了網絡信息的可用性、保密性、完整性和真實性。防范Dos攻擊是提高__(2)__的措施,數字簽名是保證__(3)__的措施。
(2)A.可用性
B.保密性
C.完整性
D.真實性
(3)A.可用性
B.保密性
C.完整性
D.真實性
●防火墻把網絡劃分為幾個不同的區域,一般把對外提供網絡服務的設備(如WWW服務器、FTP服務器)放置于__(4)__區域。
(4)A.信任網絡
B.非信任網絡
C.半信任網絡
D.DMZ(非軍事化區)
●下列不能作為監理依據的是__(5)__。
(5)A.現行、各省、市、自治區的有關法律、法規
B.國際、IT行業質量標準
C.業主單位和承建單位的合同
D.承建單位的決議
●關于政府采購法的描述,正確的是__(6)__。
(6)A.各級人民政府財政部門是負責政府采購監督管理的部門,依法履行對政府采購活動的監督管理職責
B.集中采購機構是非營利事業法人,也可以是營利性事業法人,根據采購人的委托辦理采購事宜
C.自然人、法人或者其他組織不能組成一個聯合體以一個供應商的身份共同參加政府采購
D.競爭性談判應作為政府采購的主要采購方式
●合同可以變更,但是當事人對合同變更的內容約定不明確的,推定為__(7)__。
(7)A.未變更
B.部分變更
C.已經變更
D.變更為可撤銷
●兩個以上法人或者其他組織組成聯合體投標時,若招標文件對投標人資格條件有規定的,則聯合體__(8)__。
(8)A.各方的加總條件應符合規定的資格條件
B.有一方應具備規定的相應資格條件即可
C.各方均應具備規定的資格條件
D.主要一方應具備相應的資格條件
●在我國境內進行的工程建設項目,可以不進行招標的環節是__(9)__。
(9)A.監理
B.可研
C.勘察設計
D.施工
●關于項目收尾與合同收尾關系的敘述,正確的是__(10)__。
(10)A.項目收尾與合同收尾無關
B.項目收尾與合同收尾等同
C.項目收尾包括合同收尾和管理收尾
D.合同收尾包括項目收尾和管理收尾
●企業將某些業務外包,可能會給發包企業帶來一些風險,這些風險不包括__(11)__。
(11)A.與客戶聯系減少進而失去客戶
B.企業業務轉型
C.企業內部知識流失
D.服務質量降低
●關于活動資源估算正確的敘述是__(12)__。
(12)A.進行活動排序時需要考慮活動資源估算問題
B.活動資源估算過程與費用估算過程無關
C.活動資源估算的目的是確定實施項目活動所需的資源數量
D.企業基礎設施資源信息可以用于活動資源估算
●假設需要把25盒磁帶數據(每盒磁帶數據量40GB)從甲地轉送到乙地,甲、乙相距1km,可以采用的方法有汽車運輸和TCP/IP網絡傳輸,網絡傳輸介質可選用雙絞線、單模光纖、多模光纖等。通常情況下,采用__(13)__介質,所用時間最短。
(13)A.汽車
B.雙絞線
C.多模光纖
D.單模光纖
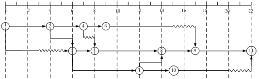
●某項目的時標網絡圖如下(時間單位:周),在項目實施過程中,因負責實施的工程師誤操作發生了質量事故,需整頓返工,造成工作4-6拖后3周,受此影響,工程的總工期會拖延__(14)__周。

(14)A.0
B.1
C.2
D.3
●關于活動歷時估算的說法不正確的是__(15)__。
(15)A.活動歷時估算不是進行活動排序時首要考慮的問題
B.活動歷時估算的準確性不依賴于項目團隊成員對項目的熟悉程度
C.活動歷時估算內容包括確定實施項目活動必須付出的工作努力、所需的資源數量、工作時間
D.活動歷時估算可采用三點估算法
●創建WBS的輸入包括__(16)__。
(16)A.項目管理計劃
B.成本估算
C.WBS模板
D.項目范圍管理計劃
●__(17)__不是WBS的正確分解方法或結構。
(17)A.把主要的項目可交付物和子項目作為第一層
B.在同一WBS層上采用不同的分解方法
C.在不同WBS層上可采用不同的分解方法
D.把項目生命期作為第一層,項目交付物作為第二層
●__(18)__不屬于項目章程的組成內容。
(18)A.工作說明書
B.指定項目經理并授權
C.項目概算
D.項目需求
●下面針對項目整體變更控制過程的敘述不正確的是__(19)__。
(19)A.配置管理的相關活動貫穿整體變更控制始終
B.整體變更控制過程主要體現在確定項目交付成果階段
C.整體變更控制過程貫穿于項目的始終
D.整體變更控制的結果可能引起項目范圍、項目管理計劃、項目交付成果的調整
●在項目中實施變更應以__(20)__為依據。
(20)A.項目干系人的要求
B.項目管理團隊的要求
C.批準的變更請求
D.公司制度
●有關項目團隊激勵的敘述正確的是__(21)__。
(21)A.馬斯洛需求理論共分為4個層次,即生理、社會、受尊重和自我實現
B.X理論認為員工是積極的,在適當的情況下員工會努力工作
C.Y理論認為員工只要有可能就會逃避為公司付出努力去工作
D.海茲伯格理論認為激勵因素有兩種,一是保健衛生,二是激勵需求
●把產品技能和知識帶到項目團隊的恰當方式是__(22)__。
(22)A.讓項目經理去學校學習三年,獲得一個項目管理碩士學位,這樣就能保證他學到項目管理的所有知識
B.找一個項目團隊,其成員具備的知識與技能能夠滿足項目的需要
C.讓項目團隊在項目的實際工作中實習
D.找到可以獲得必要的技能和知識的來源
●人力資源計劃編制的輸出不包括__(23)__。
(23)A.角色和職責
B.人力資源模板
C.項目的組織結構圖
D.人員配備管理計劃
●下列工程項目風險事件中,__(24)__屬于技術性風險因素。
(24)A.新材料供貨不足
B.設計時未考慮施工要求
C.索賠管理不力
D.合同條款表達有歧義
●確定哪些風險會影響項目并記錄風險的特性,這個過程稱為__(25)__。
(25)A.風險識別
B.風險處理
C.經驗教訓學習
D.風險分析
●__(26)__能最準確地計算活動的歷時(AD)。
(26)A.AD=工作量/人員生產率
B.AD=工作量/人力資源數量
C.AD=(最樂觀時間+4最可能時間+最悲觀時間)/6
D.AD=人員生產率×項目規模
●正在開發的產品和組織的整體戰略之間通過__(27)__聯系在一起。
(27)A.項目發起人的要求
B.項目計劃
C.產品質量
D.產品描述
●某電子政務信息化建設項目的項目經理得知一項新的政府管理方面的要求將會引起該項目范圍的變更,為此,項目經理應該首先__(28)__。
(28)A.召集一次變更控制委員會會議
B.改變工作分解包,項目時間表和項目計劃以反映該管理要求
C.準備變更請求
D.制訂新的項目計劃并通知項目干系人
●以下關于變更控制委員會(CCB)的描述錯誤的是__(29)__。
(29)A.CCB也稱為配置控制委員會,是配置項變更的監管組織。
B.CCB任務是對建議的配置項變更作出評價、審批以及監督已批準變更的實施
C.CCB組織可以只有一個人
D.對于所有項目,CCB包括的人員一定要面面俱到,應涵蓋變更涉及的所有團體,才能保證其管理的有效性。
●下列關于項目整體管理的表述中,正確的是__(30)__。
(30)A.項目績效評價就是指項目建成時的成果評價
B.整體管理強調的是管理的性,溝通只能作為輔助手段
C.工作績效信息是形成績效報告的重要依據
D.項目績效評價就是對項目經濟效益的評價
●__(31)__屬于項目財務績效評估的基本方法。
(31)A.動態分析法
B.預期效益分析法
C.風險調整貼現率法
D.因果圖
●監理工程師可以采用多種技術手段實施信息系統工程的進度控制。下面__(32)__不屬于進度控制的技術手段。
(32)A.圖表控制法
B.網絡圖計劃法
C.ABC分析法
D.“香蕉”曲線圖法
●旁站是信息工程監理控制工程質量、保證項目目標必不可少的重要手段之一,適合于__(33)__方面的質量控制。
(33)A.網絡綜合布線、設備開箱檢驗、機房建設等
B.首道工序、上下道工序交接環節、驗收環節等
C.網絡系統、應用系統、主機系統等
D.總體設計、產品設計、實施設計等
●依據《計算機軟件保護條例》,對軟件的保護包括__(34)__。
(34)A.計算機程序,但不包括用戶手冊等文檔
B.計算機程序及其設計方法
C.計算機程序及其文檔,但不包括開發該軟件所用的思想
D.計算機源程序,但不包括目標程序
●以ANSI冠名的標準屬于__(35)__。
(35)A.標準
B.國際標準
C.行業標準
D.項目規范
●需求工程幫助軟件工程師更好地理解要解決的問題。下列活動中,不屬于需求工程范疇的是__(36)__。
(36)A.理解客戶需要什么,分析要求,評估可行性
B.與客戶協商合理的解決方案,無歧義地詳細說明方案
C.向客戶展現系統的初步設計方案,并得到客戶的認可
D.管理需求以至將這些需求轉化為可運行的系統
●Web Service體系結構中包括服務提供者、__(37)__和服務請求者三種角色。
(37)A.服務認證中心
B.服務注冊中心
C.服務協作中心
D.服務支持中心
●下面關于企業資源規劃(ERP)的敘述,不正確的是__(38)__。
(38)A.ERP為組織提供了升級和簡化其所用的信息技術的機會
B.購買使用一個商業化的ERP軟件,轉化成本高,失敗的風險也很大
C.除了制造和財務,ERP系統可以支持人力資源、銷售和配送
D.ERP的關鍵是事后監控企業的各項業務功能,使得諸如質量、有效性、客戶滿意度、工作成果等可控
●__(39)__屬于組織過程資產。
(39)A.基礎設施
B.歷史信息與經驗教訓知識庫
C.組織勞務關系標準
D.招聘、培養、使用和解聘的指導方針
●下列有關廣域網的敘述中,正確的是__(40)__。
(40)A.廣域網必須使用撥號接入
B.廣域網必須使用專用的物理通信線路
C.廣域網必須進行路由選擇
D.廣域網都按廣播方式進行數據通信
●作為乙方的系統集成項目經理與其單位高層領導溝通時,使用頻率最少的溝通工具是__(41)__。
(41)A.狀態報告
B.界面設計報告
C.需求分析報告
D.趨勢報告
●國際標準化組織在ISO/IEC 12207-1995中將軟件過程分為三類,其中不包括__(42)__。
(42)A.基本過程
B.支持過程
C.組織過程
D.管理過程
●以下不具有“完成—開始”關系的兩個活動是__(43)__。
(43)A.系統設計,設計評審
B.系統分析,需求評審
C.需求評審,周例會
D.確定項目范圍,制定WBS
●某項目的主要約束是質量,為了不讓該項目的項目團隊感覺時間過于緊張,項目經理在估算項目活動歷時的時候應采用__(44)__,以避免進度風險。
(44)A.專家判斷
B.定量歷時估算
C.設置備用時間
D.類比估算
●某軟件公司欲開發一個圖像處理系統,在項目初期開發人員對需求并不確定的情況下,采用__(45)__方法比較合適。
(45)A.瀑布式
B.快速原型
C.協同開發
D.形式化
●螺旋模型是一種演進式的軟件過程模型,結合了原型開發方法的系統性和瀑布模型可控性特點。它有兩個顯著特點,一是采用__(46)__的方式逐步加深系統定義和實現的深度,降低風險;二是確定一系列__(47)__,確保項目開發過程中的相關利益者都支持可行的和令人滿意的系統解決方案。
(46)A.逐步交付
B.順序
C.循環
D.增量
(47)A.實現方案
B.設計方案
C.關鍵點
D.里程碑
●軟件質量強調三個方面的內容:__(48)__是測試軟件質量的基礎;__(49)__定義了一組用于指導軟件開發方式的準則;__(50)__間接定義了用戶對某些特性的需求。
(48)A.軟件需求
B.軟件分析
C.軟件設計
D.軟件實現
(49)A.開發文檔
B.開發標準
C.維護手冊
D.用戶手冊
(50)A.功能需求
B.非功能需求
C.期望需求
D.質量屬性需求
●系統組織結構與功能分析中,可以采用多種工具,其中__(51)__描述了業務和部門的關系。
(51)A.組織/業務關系圖
B.業務功能一覽圖
C.組織結構圖
D.物資流圖
●關鍵路徑法是多種項目進度分析方法的基礎。__(52)__將關鍵路徑法分析的結果應用到項目日程表中;__(53)__是關鍵路徑法的延伸,為項目實施過程中引入活動持續期的變化。
(52)A.PERT網絡分析
B.甘特圖
C.優先日程圖法
D.啟發式分析法
(53)A.PERT網絡分析
B.甘特圖
C.優先日程圖法
D.啟發式分析法
●關于項目管理辦公室(PMO)的敘述,__(54)__是錯誤的。
(54)A.PMO可以為項目管理提供支持服務
B.PMO應該位于組織的中心區域
C.PMO可以為項目管理提供培訓、標準化方針及程序
D.PMO可以負責項目的行政管理
●關于系統建設項目成本預算,下列說法中不正確的是__(55)__。
(55)A.成本總計、管理儲備、參數模型和支出合理化原則用于成本預算
B.成本基準計劃是用來衡量差異和未來項目績效的
C.成本預算過程對現在的項目活動及未來的運營活動分配資金
D.成本基準計劃計算的是項目的預計成本
●下述有關項目質量保證和項目質量控制的描述不正確的是__(56)__。
(56)A.項目管理班子和組織的管理層應關注項目質量保證的結果
B.測試是項目質量控制的方法之一
C.帕累托圖通常被作為質量保證的工具或方法,而一般不應用于質量控制方面
D.項目質量審計是項目質量保證的技術和方法之一
●某工程包括A、B、C、D、E、F、G、H八個作業,各個作業的緊前作業、所需時間和所需人數如下表所示(假設每個人均能承擔各個作業):

該工程的工期應為__(57)__周。按此工期,整個工程至少需要__(58)__人。
(57)A.8
B.9
C.10
D.11
(58)A.8
B.9
C.10
D.11
●某IT企業計劃對一批新招聘的技術人員進行崗前脫產培訓,培訓內容包括編程和測試兩個專業,每個專業要求在基礎知識、應用技術和實際訓練三個方面都得到提高。根據培訓大綱,每周的編程培訓可同時獲得基礎知識3學分、應用技術7學分以及實際訓練10學分;每周的測試培訓可同時獲得基礎知識5學分、應用技術2學分以及實際訓練7學分。企業要求這次崗前培訓至少能完成基礎知識70學分,應用技術86學分,實際訓練185學分。以上說明如下表所示:

那么這樣的崗前培訓至少需要__(59)__周時間才能滿足企業的要求。
(59)A.15
B.18
C.20
D.23
●載重量限24噸的某架貨運飛機執行將一批金屬原料運往某地的任務。待運輸的各箱原料的重量、運輸利潤如下表所示:

經優化安排,該飛機本次運輸可以獲得的最大利潤為__(60)__千元。
(60)A.11
B.10
C.9
D.8
●某公司希望舉辦一個展銷會以擴大市場,選擇北京、天津、上海、深圳作為候選會址。獲利情況除了會址關系外,還與天氣有關。天氣可分為晴、多云、多雨三種。通過天氣預報,估計三種天氣情況可能發生的概率為0.25、0.50、0.25,其收益(單位:人民幣萬元)情況見下表。使用決策樹進行決策的結果為__(61)__。

(61)A.北京
B.天津
C.上海
D.深圳
●關于大型及復雜項目的描述,下列說法不正確的是__(62)__。
(62)A.大型及復雜項目的項目經理日常職責更集中于管理職責
B.大型及復雜項目的管理與一般項目管理的方法有質的變化
C.大型及復雜項目的管理模式以間接管理為主
D.大型及復雜項目的管理是以項目群的方式進行
●關于大型及復雜項目的計劃過程的描述正確的是__(63)__。
(63)A.大型及復雜項目的計劃主要關注項目的活動計劃
B.大型及復雜項目必須建立以活動為基礎的管理體系
C.大型及復雜項目建立單獨的過程規范不會增加成本
D.大型及復雜項目的計劃必須先考慮項目的過程計劃
●當一個大型及復雜項目在__(64)__確定后,就需要制定項目計劃。
(64)A.需求定義
B.活動計劃
C.項目過程
D.項目團隊
●大型及復雜項目因其復雜性和多變性使得范圍管理尤為重要,其中應遵循的基本原則不包括__(65)__。
(65)A.通過分解結構對項目進行管理
B.包含了一系列子過程,用以確保能夠實現項目目標所必需的工作
C.項目過程的持續改進
D.對項目變更應該統一控制
●一般來說,多項目管理從項目目標上看項目可能是孤立無關的,但是這些項目都是服務于組織的產品布局和戰略規劃,項目的協作管理不包括__(66)__。
(66)A.共享和協調資源
B.項目進行集中的配置管理
C.統一收集和匯總項目信息
D.與甲方的技術主管部門的溝通
●投資大、建設周期長、專業復雜的大型項目最好采用__(67)__的組織形式或近似的組織形式。
(67)A.項目型
B.職能型
C.弱矩陣型
D.直線型
●大型復雜項目各子項目由于目標相同而存在,以下關于子項目的描述不恰當的是__(68)__。
(68)A.需明確各子項目之間相互依賴、相互配合和相互約束的關系
B.為每一個子項目的績效測量制定明確的基準
C.一個子項目的變更不會引起其它子項目范圍的巨大的變動
D.各子項目也應確定明確的范圍、質量、進度、成本
●經濟計量分析的工作程序依次是__(69)__。
(69)A.設定模型、檢驗模型、估計模型、改進模型
B.設定模型、估計參數、檢驗模型、應用模型
C.估計模型、應用模型、檢驗模型、改進模型
D.搜集資料、設定模型、估計參數、應用模型
●超出項目經理控制的成本增加因素,除了存款利率、貸款利息和稅率外,還包括__(70)__。
(70)A.項目日常開支的速度和生產率
B.項目日常開支的速度和工期拖延
C.項目補貼和加班
D.原材料成本和運輸成本
●Many of the activities performed during the preliminary investigation are still being conducted in __(71)__,but in much greater depth than before.During this phase,the analyst must become fully aware of the __(72)__ and must develop enough knowledge about the __(73)__ and the existing systems to enable an effective solution to be proposed and implemented.Besides the __(74)__ for process and data of current system,the deliverable from this phase also includes the __(75)__ for the proposed system.
(71)A.analysis phase
B.design phase
C.implementation phase
D.maintenance phase
(72)A.main symptom
B.root problem
C.final blueprint
D.data specification
(73)A.hardware environment
B.testing environment
C.software environment
D.business environment
(74)A.logical models
B.physical models
C.design models
D.implementation models
(75)A.hardware and software specification
B.system performance specification
C.formal requirements definition
D.general problem statement
軟考科目怎么選?
微信掃碼下方二維碼找答案
▼ ▼ ▼
熱門:信息系統監理師備考 | 網絡工程師備考 | 軟件設計師備考
推薦:信息系統項目管理師網絡課堂 | 2026年軟考報名時間及入口匯總表
課程:信息系統項目管理師報考指南 | PMP課程
軟考備考資料免費領取
去領取
專注在線職業教育25年