題目內容
(請給出正確答案)
[主觀題]
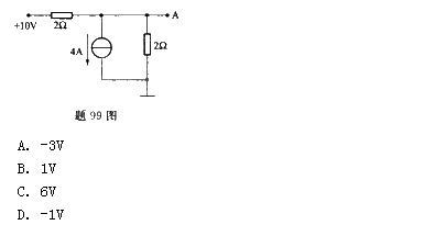
電路如圖所示,A點的電位為()。

請幫忙給出正確答案和分析,謝謝!
答案
查看答案
題目內容
(請給出正確答案)

請幫忙給出正確答案和分析,謝謝!
答案
更多“電路如圖所示,A點的電位為()。”相關的問題
第1題

(A)UA=-3V
(B)UA=7V
(C)UA=5V
(D)UA=6V
第2題
A.-4V,3.6V
B.6V,0V
C.4V,-2.4V
D.-4V,2.4V
第5題
A、-9
B、9
C、15
D、36
第8題
A.內電路
B.外電路
C.全電路
D.任何電路