摘要:2017年湖南土建中級職稱建筑工程真題及答案搜集整理如下:
2017年湖南土建中級職稱建筑工程真題及答案搜集整理如下:
第11 題:
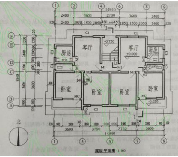
某三層砌體結構住宅,底層平面圖如圖所示(圖中未注明構造柱位置)。一至三層層別為 3.40m、3.20m、3.20m,墻厚為 240mm,采用 MU10 燒結普通磚和 M5.0 混合砂漿砌筑,現澆鋼筋混凝土樓(屋)面,磚砌條形基礎。建筑所在地區的抗震設防烈度為 7 度,場地類別為二類,設計使用基準期為 50 年。

1、(判斷題)本工程若設有女兒墻,依據《砌體結構設計規范》(GB50003)和《建筑抗震設計規范》(GB50011),女兒墻可以不設構造柱。( B )
A.正確
B .錯誤
2、(判斷題)本工程首層⑦軸墻體的構件高度,可取樓板頂面到基礎頂面的距離。( A )
A .正確
B.錯誤
3、(單選題)依據《建筑工程抗震設防分類標準》(GB50223),本工程住宅按抗震設防類別劃分屬于( C )。
A.特殊設防類
B.重點設防類
C .標準設防類
D.適度設防類
4、(單選題)依據《建筑結構荷載規范》(GB50009),本工程結構設計時,客廳的樓面活荷載標準值宣取( B )kN/㎡。
A.1.0
B.2.0
C.2.5
D.3.0
5、(單選題)依據《建筑抗震設計規范》(GB50011),本工程進行結構抗震計算時,優先
選用( D )。
A.振型分解反應譜法
B.反彎點法
C.時程分析法
D .底部剪力法
6、(單選題)依據《砌體結構設計規范》(GB50003),本工程的靜力計算方案為( A )。
A .剛性方案
B.剛彈性方案
C.彈性方案
D.彈塑性方案
10、(多選題)依據《砌體結構設計規范》(GB50003),在進行過梁計算時,有關過梁荷載的取值,說法正確的有( C D )。
A.過梁上的墻體高度小于過梁凈跨的 1/3 時,不計算此部分墻體自重
B.過梁上的墻體高度大于過梁凈跨的 1/3 時,據實計算此部分墻體自重
C.梁、板下的墻體高度小于過梁的凈跨時,計入梁、板傳來的荷載
D.梁、板下的墻體高度大于過梁的凈跨時,可以不考慮梁、板傳來的荷載
{#page#}
第2題:
某 6 層教學樓工程,建筑面積 8200㎡,現澆鋼筋混凝土框架結構,7 度抗震設防,由某施工單位中標施工,樓蓋采用主次梁單向板肋形樓蓋,主梁跨度 9m,框架結構柱單獨澆筑,樓蓋梁板同時澆筑,采用覆膜多層膠合木模板,泵送商品混凝上,底層層高 3.9m,底層框架結構施工時氣溫 24℃。針對該工程底層鋼筋混凝土工程施工,解答下列問題:
11、(判斷題)模板安裝時,項目部特別重視,要求施工人員先用水準儀抄平,保證二層樓蓋各梁的底模表面在同一水平面上( B )。
A.正確
B .錯誤
12、(判斷題)根據同條件養護試件強度達到設計混凝土立方體抗壓強度標準值后便可拆除主梁底模( A )。
A.正確
B.錯誤
13、(判斷題)原設計樓面板受力筋采用 HPB300 級直徑 12mm 間距 200mm 的鋼筋,因市場供貨原因,施工單位在征得監理單位和建設單位兩者同意后按等強度折算,用 HRB335級直徑 12mm 間距 250mm 的鋼筋代換,保證板的受力不變( B )。
A.正確
B.錯誤
14、(判斷題)樓蓋梁混凝土澆筑采用插入式振搗器,施工員要求作業人員快插慢拔,盡可能用振搗器端部接觸鋼筋骨架,以擴大振動范圍達到振搗密實目的( B )。
A.正確
B.錯誤
15、(判斷題)該層樓面混凝土的澆筑宜順著次梁長度方向進行( A )。
A.正確
B.錯誤
16、(判斷題)混凝土粗骨料直徑 28mm,澆筑該層柱的混凝土,應采用串筒、溜管等措施,不得直接從柱頂模板口傾落混凝土( A )。
A .正確
B.錯誤
17、(單選題)因樓面施工面積較大,需要留置施工縫,下列關于施工縫的留置位置描述中較合適的是( D )。
A.留置在主梁支座處
B.留置在次梁支座處
C.留置在主梁跨中 1/3 范圍內
D.留置在次梁 跨中 1/3 范圍內
18、(單選題)自樓蓋混凝土澆筑完畢算起,開始進行自然養護較合適的時間為( B )。
A.3~5 小時
B.8~12 小時
C.15~18 小時
D.22~26 小時
19、(單選題)下列關于鋼筋接頭位置的描述中不正確的是( C )。
A.同一縱向受力鋼筋不宜設置兩個及以上的接頭
B.接頭末端到鋼筋彎起點的距離不應小于鋼筋直徑的 10 倍
C.對于機械連接接頭,要在施工現場抽取接頭試 件,作化學性能檢驗
D.對于焊接接頭,要在施工現場抽取接頭試件,作化學性能檢驗
20、(多選題)下列關于泵送混凝土的描述,正確的有( B C )。
A.泵送混凝土的配合比設計與普通混凝土是相同的
B.混凝土泵送應盡量連續工作
C.混凝土泵送輸送管宜直,轉彎宜緩
D.開始輸送混凝土時宜保持泵送管道干燥干凈
{#page#}
第3題:
某寫字樓工程,總建筑面積 52800㎡,地下 2 層,地上 12 層,主體為框架--剪力構,基礎采用樁基礎加筏板基礎。工程樁為泥漿護壁鉆孔灌注樁,樁徑 1000mm,樁長 30m,鋼筋籠長度 20m,主筋為 12ø 25 和 HRB335鋼筋。基礎底板厚度為 2000mm,采用 C40、P8 抗滲混凝土,施工環境溫度 29℃。主體結構混凝土強度等級為 C30,主要受力筋采用 HRB335 級。
施工工程中,發生了如下事件:
事件一:基礎底板采用大體積混凝上澆筑,澆筑完畢經過 8 個小時后,分包單位采取直接灑水養護。
事件二:在施工期間,相關部門組成安全檢查工作組進入工地檢查。對照安全檢查標準,發現如下問
題:施工現場工人宿舍室內凈高 2.3m,封閉式窗戶,每個房間住 20 個工人,檢查組認為不符合相關要求,對此下發了整改通知單。依據安全檢查標準(JGJ59-2011),檢查組對本次安全檢查按匯總表打分,該項目得分 69 分。
事件三:主體結構封頂后,施工總承包單位組織建設單位、監理單位對該分部工程進行工程質量驗收。
事件四:工程竣工驗收交付使用一年后,出現屋頂漏水、個別填充墻開裂等質量問題,經調查確認屬
施工質量問題,建設單位要求施工單位免費修理,施工單位認為已通過竣工驗收并移交使用,不予免費修理。于是,建設單位另請其他施工單位進行維修。
21、(判斷題)對事件一,基礎底板大體積混凝土可以采用直接灑水養護( B )。
A.正確
B .錯誤
22、(判斷題)本工程樁基施工中,鋼筋籠中環形箍筋與主筋的連接應采用點焊連接( A )。
A .正確
B.錯誤
23、(判斷題)對事件二,工作檢查組對該項目進行的安全檢查評分結果應評定為合格( B )。
A.正確
B .錯誤
24、(判斷題)主體結構封頂后,事件三的做法符合相關規定( B )。
A.正確
B .錯誤
25、(判斷題)對事件四,建設單位另請第三方進行維修,發生的費用可以從乙方保證金中扣除( A )。
A .正確
B.錯誤
26、(單選題)基礎底板大體積混凝土養護時間不應少于( D )。
A.5d
B.7d
C.10d
D .14d
27、(單選題)樁基礎鋼筋籠若采用雙面焊接,其鋼筋搭接長度不小于( C )。
A.75mm
B.100mm
C.125mm
D.150mm
28、(單選題)建筑施工安全檢查評定結論有( C )個等級。
A.1
B.2
C.3
D.4
29、(多選題)對事件二,以下關于工人宿舍整改內容正確的有( A )。
A .必須設置可開啟式窗戶
B.每間居住人員不得超過 12 人
C.宿舍內通道寬度不得小于 0.8m
D.宿舍凈高不得小于 2.4m
30、(多選題)分部工程的驗收應由( A B )組織進行。
A.總監理工程師
B.建設單位項目負責人
C.施工分包單位項目負責人
D.施工總承包單位項目技術負責人
{#page#}
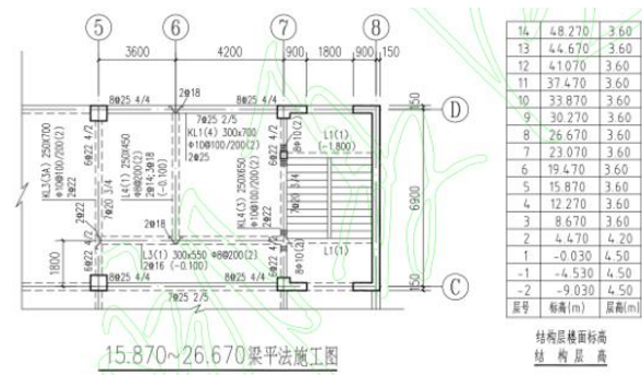
第4題:
某鋼筋混凝土框架結構辦公樓,地下 2 層,地上 11 層,15.870-26.670 梁平法施工圖(局部)如圖所示,采用 100mm 厚現澆混凝上樓板,梁板混凝土強度等級為 C30(fc=14.3N/mm 2 ,f t =1.43Nmm 2 ),梁的混凝土保護層厚度為 25mm,主要受力縱筋采用 HRB335,箍筋采用 HP300。

[ 問題 ]:
(1)請根據圖中 KL3 的平法標注,回答:該梁的截面尺寸為多少?該梁的上部和下部配置的通長鋼筋的根數和直徑分別為多少?箍筋加密區的間距為多少?(4 分)
(2)根據圖中信息,繪制⑤~⑦xC 軸 KL1 的兩端支座、跨中共三處梁的斷面配筋示意圖,要求標注截面尺寸、鋼筋位置和數量(注:梁兩側應按要求配置構造鋼筋,鋼筋采用 HRB335 級,直徑 16mm)。(9 分)
(3)依據《混凝土結構設計規范》(GB50010)中的構造要求,本工程框架梁的縱向受力鋼筋最小配筋率為 0.21%,請據此驗算 KL1 跨中截面配筋是否滿足最小配筋率要求?(8 分)
(4)根據圖中信息,繪制⑥×D 軸單根吊筋的示意圖并標注各段尺寸(按構造要求的最小尺寸確定,單位:mm)。(5 分)
(5)試述鋼筋代換的原則。施工單位在進行施工時如確需進行鋼筋代換,需辦理什么手續?(4 分)
[ 參考答案 ]:
(1)圖中 KL3 的截面尺寸為 250X700;梁上部通長筋為 2ф22;梁下部通長筋為 7ф20;
箍筋加密區間距為 100mm。
(2)略
(3)KL1 跨中截面配筋為 7ф25,則其配筋總面積 As=7*3.14*252/4=3434(m㎡)
則梁配筋率ρ=As/bh=3434/300*700=1.635% > 0.21%
故滿足最小配筋率要求
(4)⑥×D 軸吊筋的示意圖參照右圖繪制:

(5)試述鋼筋代換的原則:可采用等強度代換或等面積代換;代換后鋼筋的間距、錨固長度、最小鋼筋直徑、數量等構造要求均應符合相應規范要求。鋼筋代換需征得設計單位同意。
土建職稱考試備考資料免費領取
去領取
專注在線職業教育25年