摘要:下面是由希賽小編整理的通信互聯網技術知識點精講之TCP/IP參考模型,希望能幫助學友們。具體內容如下
下面是由希賽小編整理的通信互聯網技術知識點精講之TCP/IP參考模型,希望能幫助學友們。具體內容如下:
TCP/IP參考模型
1.TCP/IP參考模型的基本概念
傳輸控制協議/網際協議(TransferControlProtocol/InternetProtocol,TCP/IP),又稱為網絡通信協議,這個協議是國際互聯網(Internet)的基礎。
TCP/IP是網絡中使用的基本的通信協議。雖然從名稱上看TCP/IP似乎只包括兩個協議,即傳輸控制協議(TCP)和網際協議(IP),但實際上TCP/IP是一組協議的集合,它包括上百個各種功能的協議,如TCP、IP、UDP、ICMP、RIP、Telnet、FTP、SMTP、ARP及TFTP等。而TCP和IP是保證數據完整傳輸的兩個基本的重要協議。通常所說的TCP/IP是指Internet協議族,而不僅是TCP和IP.以此為基礎組建的Internet是目前國際上規模最大的計算機網絡,由于Internet的廣泛使用,使得TCP/IP成為了事實上的標準。
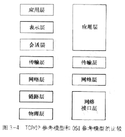
TCP/IP并不完全符合OSI的七層參考模型。傳統的開放系統互連參考模型采用了七層結構,而TCP/IP通信協議采用了四層的層級結構,每一層都使用它的下一層所提供的服務來完成本層的功能。這四層從下往上依次是網絡接口層(NetworkInterfaceLayer)、網絡層(InternetLayer)、傳輸層(TransportLayer)和應用層(ApplicationLayer)。
網絡接口層:這是TCP/IP參考模型的最低層,負責對實際的網絡媒體進行管理,接收IP數據報并通過網絡將其發送出去,或者從網絡上接收幀,剝離出IP數據報,交給網絡層。
網絡層:負責數據的轉發和路由,保證數據報到達目的主機。
傳輸層:負責傳送數據,并且確定數據己被送達并接收。
應用層:向用戶提供一組常用的應用程序。
TCP/IP參考模型要完成OSI七層模型的任務,模型中互相對應的部分由TCP/IP協議族中相關的協議實現。其他部分(如會話層和表示層)的功能由用戶實現。TCP/IP參考模型是在TCP/IP協議族逐漸豐富起來以后才提出的。
TCP/IP參考模型和OSI/RM的數據傳遞過程類似。用戶數據單元從應用程序向下傳送,通過TCP/IP參考模型的各層時,每層都會在數據單元上加上相應的頭部和/或尾部。在接收端,由對等層將這些頭尾部剝離出來,并根據其中的信息對數據單元進行相應的處理。
2.與OSI參考模型的比較
TCP/IP參考模型和OSI參考模型的目的和實現的功能都一樣,本質上它們都采用了分層結構,.并在層間定義了標準接口,上層使用下層提供的服務,但下層提供服務的方式對上層來說是透明的;在對等層間采用協議來實現相應的功能。這兩種模型在層次劃分上也有相似之處。但這兩種模型的提出是相互獨立的,出發點也不同。因此在使用上有很大的不同。
TCP/IP參考模型和OSI參考模型的比較如圖3-4所示。

OSI參考模型理論比較系統、全面,對具體實施有一定的指導意義,但是與具體實施還有很大的差別,要完整地實現OSI參考模型所規定的所有功能是非常困難的:TCP/IP參考模型則是在實踐中逐步發展而來的。TCP/IP和互聯網的發展相輔相成,
現在不僅在Internet中,而且在局域網中也開始應用TCP/IP.但是由于TCP/IP由實際應用發展而來,缺乏統一的規劃,層次劃分并不十分清晰和確定,圖3-4TCP/IP參考模型和0SI參考模型的比較在今后的發展過程中還會有所調整。
相關推薦:
通信工程師備考資料免費領取
去領取
專注在線職業教育25年