摘要:設備環境培訓直流配電的作用和功能:直流配電是直流供電系統的樞紐,它將整流輸出的直流和蓄電池組輸出直流匯接成不間斷的直流輸出母線,再分接為各種容量的負載供電支路,串入相應熔斷器或負荷開關后向負載供電。
1、直流配電的作用和功能
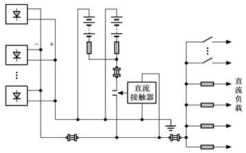
直流配電是直流供電系統的樞紐,它將整流輸出的直流和蓄電池組輸出直流匯接成不間斷的直流輸出母線,再分接為各種容量的負載供電支路,串入相應熔斷器或負荷開關后向負載供電。常用的直流配電系統如圖所示:

直流配電的功能
1)測量:測量系統輸出總電壓,系統總電流;各負載回路用電電流;整流器輸出電壓電流;各蓄電池組充(放)電電壓、電流等。并能將測量所得到的值通過一定的方式顯示。
2)告警:供系統輸出電壓過高、過低告警;整流器輸出電壓過高、過低告警;蓄電池組充(放)電電壓過高、過低告警;負載回路熔斷器熔斷告警等。
3)保護:在整流器的輸出線路上,各蓄電池組的輸出線路上,以及各負載輸出回路上都接有相應的熔斷器短路保護。此外,各蓄電池組線路上還接有低壓脫離保護裝置等。
4、直流配電的日常維護常識
1)直流屏一般情況下不是智能設備。
2)對于低電壓大電流直流來說,電力線設計時線路壓降是主要考慮因素,直流饋電線的截面積,一般根據允許電壓降來選擇。直流放電回路的全程壓降,+24V系統應≤2.6V,-48伏供電回路全程最大允許壓降為3V,這是指從蓄電池組兩端到通信設備受電兩端的壓降。
3)直流熔斷器的額定電流值應不大于最大負載電流的2倍。各專業機房熔斷器的額定電流值應不大于最大負載電流的1.5倍。
4)直流配電電屏內放電回路的壓降,規定應不大于0.5V。
返回目錄:
編輯推薦:
通信工程師備考資料免費領取
去領取
專注在線職業教育25年