摘要:通信工程師傳輸與接入二纖單向復用段保護環:復用段環保護的業務單位是復用段級別的業務,需通過STM‐N信號中K1、K2字節承載的APS協議來控制倒換的完成。由于倒換要通過運行APS協議,所以倒換速度不如通道保護環快,華為SDH設備的復用段倒換速度是≤25ms。
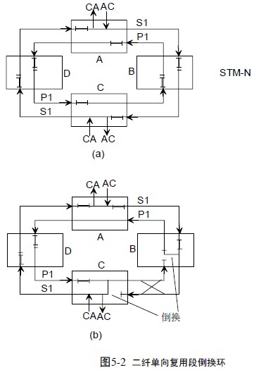
3.5 二纖單向復用段保護環
復用段環保護的業務單位是復用段級別的業務,需通過STM‐N信號中K1、K2字節承載的APS協議來控制倒換的完成。由于倒換要通過運行APS協議,所以倒換速度不如通道保護環快,華為SDH設備的復用段倒換速度是≤25ms。
下面我們講一講單向復用段保護倒換環的自愈機理,如圖5‐6所示。
若環上網元A與網元C互通業務,構成環的兩根光纖S1、P1分別稱之為主纖和備纖,上面傳送的業務不是1+1的業務而是1∶1的業務—主環S1上傳主用業務,備環P1上傳備用業務;因此復用段保護環上業務的保護方式為1∶1保護,有別于通道保護環。
在環路正常時,網元A往主纖S1上發送到網元C的主用業務,往備纖P1上發送到網元C的備用業務,網元C從主纖上選收主纖S1上來的網元A發來的主用業務,從備纖P1上收網元A發來的備用業務(額外業務),圖5‐6中只畫出了收主用業務的情況。網元C到網元A業務的互通與此類似,如圖5‐4‐1所示。

在C—B光纜段間的光纖都被切斷時,在故障端點的兩網元C、B產生一個環回功能,見圖5‐4‐2。網元A到網元C的主用業務先由網元A發到S1光纖上,到故障端點站B處環回到P1光纖上,這時P1光纖上的額外業務被清掉,改傳網元A到網元C的主用業務,經A、D網元穿通,由P1光纖傳到網元C,由于網元C只從主纖S1上提取主用業務,所以這時P1光纖上的網元A到網元C的主用業務在C點處(故障端點站)環回到S1光纖上,網元C從S1光纖上下載網元A到網元C的主用業務。網元C到網元A的主用業務因為C→D→A的主用業務路由業中斷,所以C到A的主用業務的傳輸與正常時無異只不過備用業務此時被清除。通過這種方式,故障段的業務被恢復,完成業務自愈功能。
二纖單向復用段環的最大業務容量的推算方法與二纖單向通道環類似,只不過是環上的業務是1∶1保護的,在正常時備環P1上可傳額外業務,因此二纖單向復用段保護環環的最大業務容量在正常時為2×STM‐N(包括了額外業務),發生保護倒換時為1×STM‐N。
二纖單向復用段保護環由于業務容量與二纖單向通道保護環相差不大,倒換速率比二纖單向通道環慢,所以優勢不明顯,在接入網組網時應用不多。
編輯相關推薦:
通信工程師備考資料免費領取
去領取
專注在線職業教育25年