摘要:通信工程師交換技術培訓概率路由法:這種方法是事先在每個節點的內存中設置一個路由表,但此路由表中給出幾個可供選擇的輸出鏈路,并且對每條鏈路陚予一個概率。當一個分組到達該節點時,此節點即產生一個從0.00-0.99的隨機數,然后按此隨機數的大小,査表找出相應的輸出鏈路。
2.概率路由法
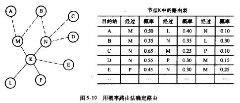
這種方法是事先在每個節點的內存中設置一個路由表,但此路由表中給出幾個可供選擇的輸出鏈路,并且對每條鏈路陚予一個概率。當一個分組到達該節點時,此節點即產生一個從0.00-0.99的隨機數,然后按此隨機數的大小,査表找出相應的輸出鏈路。
圖5-19所示用一個例子說明這種方法。當一個分組到達節點K時,就先查看它的目的地址是哪個。設查出目的節點為B。從表中可看出,共有3條輸出鏈路可供選擇,即K~>M,K-N和K-L。若在節點K產生的隨機數在0.00-0.34之間,則選擇K~>M作為輸出鏈路。若隨機數在0.35-0.69或0.70-0.99之間,則分別選擇K-N或K-L鏈路作為輸出鏈路。因此,對于以B為目的節點的分組,在到達節點K后,有35%的可能走K-M鏈路,有35%的可能走K-N鏈路,而30%的可能走K-L鏈路。

這種方法與固定路由法相比,可使網內的通信流量更加平衡,因而可得到較小的平均分組時延。
返回目錄:
編輯推薦:
通信工程師備考資料免費領取
去領取
專注在線職業教育25年